74HC00
74HC00
RENESAS
74HC00 ST SOP
In Stock: 6124 pcs
, et fremtredende medlem av CMOS Logic IC-familien, integrerer fire NAND-porter i en pakke, og utnytter silisium-gateteknologi for å matche LS-TTL-driftshastigheter med spesielt lavere strømforbruk.Denne blandingen av hastighet og effektivitet, forsterket av dens evne til å drive opptil ti LS-TTL-belastninger og intern diodeklemme for elektrostatisk utladningsbeskyttelse, plasserer 74HC00 som en allsidig og pålitelig komponent i digital kretsdesign.Du kan sette pris på dens buffrede utganger for forbedret støyimmunitet og dens kompatibilitet med flere bransjestandardekvivalenter, noe som gjør det til en hjørnestein i å lage innovative og robuste digitale systemer.
Katalog
De
74HC00
74HC00
RENESAS
74HC00 ST SOP
In Stock: 6124 pcs
, som inkluderer fire NAND-porter, er kjent for sin tilpasning til LS-TTL-familien.
Ved å bruke CMOS-teknologi for silisiumprodusenter oppnår den driftshastigheter som ligner på LS-TTL, samtidig som det opprettholder et fokus på lavt strømforbruk.Denne balansen lar deg utnytte både hastighet og effektivitet, og dyrker design som resonerer med oppfinnsomhet.Buffret portutganger forbedrer støyimmunitet, en faktor som bidrar til stabil ytelse selv i utfordrende signalmiljøer.
Dens evne til å kjøre opptil ti LS-TTL-belastninger gjør det egnet for systemer der det er ønsket mange signalutganger.
Utstyrt med intern diodeklemme, minimerer det risikoen forbundet med elektrostatisk utladning.Denne funksjonen understreker sin rolle i å utvide komponentens levetid, og gjenspeiler visdommen subtilt når det gjelder å søke langsiktig pålitelighet.
Erstatninger og ekvivalenter:
•
CD4011
CD4011
I-CORE
701
In Stock: 25220 pcs
• MC54HC00AJD
• M74HC00M1
• SN54LS00
• SN74HCT00DTE4
•
74HCT132D
74HCT132D
NXP
74HCT132D PHILIPS SOP14
In Stock: 16924 pcs
•
74HCT00
74HCT00
TI
74HCT00 ST SOP14
In Stock: 2870 pcs

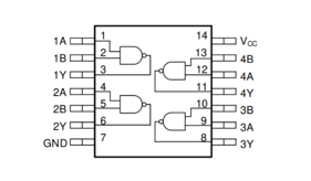
• Pinnene 1, 2, 4, 5, 9, 10, 12, 13: Datainnganger
Disse pinnene er laget for å motta inngangssignaler som styrer logikkoperasjonene til NAND -portene inne i brikken.Å sikre at disse inngangene er fri for interferens fremmer pålitelig kretsatferd, og reflekterer for kontroll og forutsigbarhet.
• Pinnene 3, 6, 8, 11: Datautganger
Disse pinnene som fungerer som utganger, formidler resultatene fra NAND -portberegningene.De kan brukes i forskjellige digitale logiske konstruksjoner, og veve sammen komplekse logiske mønstre.Når flere kretser er koblet til en enkelt utgang, antyder potensielle belastningseffekter den delikate balansen som kreves i intrikate forhold.
• PIN 7: Ground (GND)
Denne pinnen kobles til systemområdet for å gi et jevnt referansepunkt for spenninger.Å etablere en slik stabil forbindelse stemmer overens med den naturlige jakten på forankring og klarhet, og minimerer forstyrrelser.
• PIN 14: Positiv strømforsyning (VCC)
Å mate riktig spenning gjennom denne pinnen støtter enhetens ytelse.Mens du opprettholder innenfor det spesifiserte området forbedrer levetiden og effektiviteten, kan det å plassere avkoblingskondensatorer i nærheten av kraftpinnene stabilisere operasjonen betydelig, og speile strategier for å håndtere livets kompleksiteter.
74HC00
74HC00
RENESAS
74HC00 ST SOP
In Stock: 6124 pcs
er designet med fire uavhengige NAND -porter som fokuserer på krafteffektivitet, og tiltrekker deg med sin pålitelige ytelse i digitale kretsløp.Den imponerende støyimmuniteten bidrar til stabile applikasjoner, som mange synes at appellerer for prosjekter som prioriterer konsistens.Tilgjengelig i DIP og SOIC -formater, og oppfyller forskjellige designkrav og tilbyr fleksible PCB -layoutalternativer.
74HC00s tilpasningsevne gjør at den kan passe inn i et bredt spekter av logiske portkonfigurasjoner og intrikate systemer.Du kan verdsette den robuste inngangs-/utgangskjøringsevnen, og finne den nyttig for å lage komplekse digitale funksjoner.
Dens evne til å operere under forskjellige forhold gjør 74HC00 populær innen utdanning og prototypeutvikling.Den enkle det den tilpasser seg økt kretskompleksitet, inspirerer deg til å utforske nye nyvinninger uten å ofre ytelsen.
Produsentoversikt
Texas Instruments har fått et rykte for sin dedikasjon til å skape pålitelige og banebrytende halvlederprodukter.Med sitt urokkelige fokus på holdbarhet og overlegen ytelse, befinner Texas Instruments 'komponenter seg kjernen i mange applikasjoner, og viser frem sin effektive rolle i elektronikkindustrien.
Fysiske dimensjoner
Måling av 8,65mm x 3,91 mm x 1,58 mm, kan
74HC00
74HC00
RENESAS
74HC00 ST SOP
In Stock: 6124 pcs
skilte med en elegant design skreddersydd for kompakte miljøer.Disse dimensjonene forenkler integrasjon i varierte kretskortoppsett, slik at du kan få mest mulig ut av begrenset plass uten at det går ut over enhetens bemerkelsesverdige evner.
Elektriske egenskaper
Forsyningsspenningen spenner fra 2V til 6V, og tilbyr tilpasningsevne ved valg av strømkilder og sikre kompatibilitet med et bredt spekter av digitale kretsløp.Dette spenningsområdet støtter allsidige applikasjoner, slik at 74HC00 kan tilpasse seg endret etter endrede krav i dynamiske miljøer.
Temperatur og miljøforhold
Enheten er effektivt mellom -40 ° C og 85 ° C, og er designet for å trives i forskjellige klima og industrielle forhold.Dens motstand mot ekstreme temperaturer gjør det til et foretrukket valg for forbrukerelektronikk og industrielle applikasjoner, der miljøvariabiliteten er en gitt.
Ytelsesmålinger
74HC00 tilbyr en forplantningsforsinkelse på 23 nanosekunder, og utmerker seg i prosesseringseffektivitet som kreves for høyhastighetslogiske funksjoner.Denne raske ytelsen er fordelaktig for applikasjoner som digital signalkontroll og kommunikasjonssystemer, der rask datautveksling er en nødvendighet.
Strukturell sammensetning
Enheten inkluderer 4 porter, for NAND -logikkoperasjoner, og gir betydelig funksjonalitet for intrikate logiske design.Denne konfigurasjonen viser seg fordelaktig der det er nødvendig med logiske operasjoner effektivt, og sikrer rask og pålitelig behandling i systemer.
Klassifikasjon
Når han fungerer som en logikkport, fungerer 74HC00 som en primær komponent i digital kretsoppretting.Du kan bruke disse elementene til å konstruere komplekse digitale systemer, og dermed forbedre beregningskraften og fremme prosesseringsevner på innovative måter.
74HC00
74HC00
RENESAS
74HC00 ST SOP
In Stock: 6124 pcs
integrerer fire separate NAND -porter, hver med to innganger som fører til en enkelt utgang.Operasjonen avhenger av en detaljert sannhetstabell.Spesielt synker utgangen til lav bare hvis begge inngangene er høye.Ellers forblir utgangen høyt - et primært element i digital logikkdesign, og fungerer som en kjernekomponent i å lage mer intrikate kretsløp.
Positive tilbakemeldinger påvirker subtilt stabiliteten på tvers av disse portene.Når hver port behandler sine innspill, tjener tilbakemelding til å forsterke en stabil utgangstilstand, og fremme konsekvent ytelse.Denne likevekten oppnås ved å harmonisere portens reaksjoner med inngangsverdiene.Du kan benytte deg av dette aspektet for å smi kretsløp som krever pålitelige logiske tilstander, og avdekke et lag med sikret forutsigbarhet.
Å ta tak i subtilitetene til input-output-dynamikk i NAND-porter forbedrer potensialet for strømlinjeformede kretsdesign.Vanlige applikasjoner inkluderer å konstruere flip-flops og utføre logiske oppgaver som og, eller, og ikke operasjoner.Denne allsidigheten understreker deres adopsjon på tvers av et spekter av kontekster, fra enkle kontrollmekanismer til sofistikerte beregningsrammer.
Reflekterer over den bredere nytten av 74HC00, og den er pålitelige ytelsen finner relevans i felt som spenner over forbrukerelektronikk for industriell automatisering.Kraften til å ordne disse portene i forskjellige logiske rammer gir betydelig kreativ frihet, og oppmuntrer til innovasjon.Hovedprinsippene for NAND -porter inspirerer til skreddersydde løsninger for unike teknologiske hindringer.
74HC00
74HC00
RENESAS
74HC00 ST SOP
In Stock: 6124 pcs
er en firedoblet NAND-port designet med utsøkt presisjon.Det legemliggjør en harmonisk blanding av praktisk og teknologisk raffinement.
Funksjoner
• opererer på et bredt spenningsområde
• Viser rask utbredelsesforsinkelse
• Passer for høyhastighets- og lav effektoperasjoner
Elektriske egenskaper
• Spenning og strøm: Denne komponenten fungerer over en bredde av spenningsnivåer, og imøtekommer et mangfold av designbehov.
• Temperaturområde: Utfører pålitelig over forskjellige temperaturinnstillinger, noe som tillater tilpasningsevne til forskjellige miljøforhold.
Applikasjoner
• Generell bruk: En allsidig komponent, den finner et sted i mange digitale kretsløp, og oppfyller behov som spenner fra hverdagslige oppgaver til komplekse applikasjoner med nåde.
• Spesifikke implementeringer: Fra forbrukerelektronikk til industrielle mekanismer integrerer 74HC00 sømløst, og manifesterer bruken i hver applikasjon.
74HC00
74HC00
RENESAS
74HC00 ST SOP
In Stock: 6124 pcs
-brikken viser bemerkelsesverdig tilpasningsevne, som ofte vises i forskjellige elektroniske sammenhenger takket være det brede spekteret av funksjonaliteter.
Buffering og kjøring
74HC00 fungerer på en adeptly som en buffer eller driver, og fremmer sømløs tilkobling på tvers av kretsløp.Ved å minimere spenningsdråper og redusere signalforringelse, etablerer det jevn kommunikasjon mellom komponenter.I praktisk elektronikk kan bruk av 74HC00 som buffer styrke en mikrokontrollers kapasitet til å aktivere flere lysdioder eller relémoduler, en hyppig funksjon i DIY-prosjekter.
Logiske operasjoner
Denne brikken muliggjør logiske operasjoner, for eksempel NAND -porter, og danner kjernen i intrikate systemer.Den uanstrengte integrasjonen i forskjellige logiske kretsløp understreker dens brukbarhet.I digital design gir deg utnyttelse av NAND -porter mulighet til å konstruere sofistikerte logiske kretsløp med færre komponenter, noe som forbedrer både prisgunstighet og kompakthet.
Innebygde systemintegrasjon
Innenfor innebygde systemer effektiviserer 74HC00 oppgaveutførelse ved å legge inn logiske funksjoner innen mikrokontrollerinitiativer.
Tallrike IoT -enheter bruker denne brikken for å utføre betingede kontroller og administrere perifere enheter, øke systemets respons og pålitelighet.
Nivåkonvertering
74HC00 tjener en effektiv rolle i nivåkonvertering, og justerer signalnivåene mellom forskjellige krets.Dette letter jevn grensesnitt av komponenter med varierte spenningsvurderinger.I situasjoner med blandet spenning, for eksempel å koble en 5V-mikrokontroller til en 3,3V-sensor, bygger 74HC00 sømløst sammen skillet, og sikrer presis deling av data.
Timing og kontrollkretser
Brikken har også funksjoner i timing og kontrollkretser, og hjelper til med den grundige koordinasjonen av sekvensielle logiske oppgaver, forbedrer applikasjoner som forsinkelseslinjekretser og pulsgenerering.Raffinering av timingskretser med 74HC00 forbedrer presisjonen i oppgaver som synkrone kommunikasjonssystemer, og beskytter datatroskap gjennom nøye tidsstyring.
Digital komparator for binær sammenligning
74HC00 fungerer som en digital komparator for binære sammenligninger, ideelle til beslutninger innen digitale rammer.Det skiller likhet eller variasjon mellom binære figurer.Å bruke 74HC00 for binær sammenligning gir en effektiv rute for å implementere forgreningsbeslutninger i varierte digitale protokoller, og forsterke systemytelsen i aktiviteter.
74HC00 datablad:
74HC00 Detaljer PDF74HC00 Detaljer PDF for Fr.PDF74HC00 Detaljer PDF for Kr.pdf74hc00 detaljer pdf for det.pdf74hc00 detaljer pdf for es.pdf
1. Hva er funksjonaliteten til 74HC00?
74HC00 har fire uavhengige 2-input NAND-porter, som opererer innenfor et kraftområde fra 2,0V til 6,0V.Å betjene digitale logikksystemer, det muliggjør dannelse av logiske operasjoner, som danner ryggraden i intrikate digitale arkitekturer.
2. Hvor mange NAND -porter inneholder 74LS00?
74LS00 omfatter et sett med fire NAND -porter, hver designet med to innganger og en entall utgang.Denne konfigurasjonen er et vanlig valg når du utvikler enheter innen digital elektronikk.
3. Hva skiller 74HC00 fra 74LS00?
En hovedforskjell er deres spenningstilpasningsevne.74HC00 fungerer innenfor et 2V til 6V -område, mens 74LS00 er begrenset til en 5V strømforsyning.Valg avhenger ofte av variasjonene av anvendelsesbehov og miljøfaktorer.
4. Kan du beskrive 74HC -serien?
74HC-serien har høyhastighets CMOS-integrerte kretsløp, og tilbyr TTL-kompatible hastigheter med redusert strømforbruk.Deres kompatibilitet med 74LS -serienes pin -oppsett gir enkel integrasjon og erstatning i eksisterende kretsløp.
5. Hva er applikasjonene på 74HC00?
I digitale kretsløp er 74HC00 instrumental der NAND -logikkporter er nødvendig for signalinversjon og utførelse av komplekse logiske handlinger.Dens tilpasningsevne gjør det til et verdifullt aktivum i utdanningssammenhenger og profesjonelle elektroniske virksomheter.
Del dette innlegget